Назад

Выберите город

Замок врезной DD.INOX/C-55.72 (лиц.планка 20 мм), цены

Артикул: MS45011

627,58
Количество товаров
По запросу
  • Доставка

    Самовывоза со склада в Москве
    Транспортной компанией

  • Оплата

    Работаем только с юридическими лицами. Оплата по б/н расчету.

  • Гарантии

    Возврат средств в течение 14 дней с момента покупки

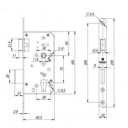
Замок (INOX) под ЦМ, 55/20/72 предназначен для установки на деревянные и лёгкие металлические двери. Наиболее часто применяется в крупных проектах: гостиницах, больницах, аэропортах, фитнес-залах, бассейнах, МОП жилых домов и других объектах. Изготовлен из нержавеющей стали, может использоваться во влажных помещениях, учреждениях с дополнительной санитарной обработкой, в противопожарных дверях. Лицевая, ответная планка, ригеля и крепеж: нержавеющая сталь INOX 201. Защёлка: INOX 304. Корпус замка: оцинкованная сталь. Бексет: 55 мм, лицевая планка 20 мм, межосевое 72 мм, отверстие под квадрат 8 мм. Универсальная защелка, для левых и правых дверей. Вылет ригеля: 21 мм за 2 оборота. В комплектацию входят: ответная и лицевая планка, крепеж из нержавейки, декоративные вставки под ригель и защёлку.
  • Производитель:
    FUARO
  • Серия:
    INOX
  • Цвет:
    Нержавеющая сталь
  • Материал:
    Нержавеющая сталь
  • Тип упаковки:
    Коробка
  • Способ установки:
    Врезной
  • Межосевое расстояние:
    72 мм
  • Вылет ригеля:
    21 мм
  • Количество комбинаций:
    Нет
  • Количество ключей:
    Нет
  • Материал ключа:
    нет (корпус замка)
  • Материал цилиндра:
    нет
  • Класс безопасности:
    2
  • Тип механизма секретности:
    Цилиндровый
  • Бэксет (удаление ключевого отверстия):
    55
  • Размер ригеля:
    9 х 21 х 35 мм
  • Количество ригелей:
    1
  • Наличие лицевой планки:
    Есть
  • Наличие выводов для тяг:
    Нет
  • Тип замка:
    основной (с защелкой под ручку)
  • Комплектация ручкой:
    Нет
  • Материал ручки:
    нет
  • Комплектация цилиндром:
    Нет
  • Отверстия под стяжки:
    Да
  • Отверстие под броню:
    Да
  • Задвижка:
    Нет
  • Толщина двери:
    Для любой толщины двери
  • Вес:
    673
  • Габариты упаковки товара высота мм:
    30
  • Габариты упаковки товара ширина мм:
    240
  • Габариты упаковки товара длина мм:
    93
  • Штрих-код индивидуальной упаковки:
    6941899107149
  • Вес, кг:
    0.673

Оплачивайте покупки удобным способом.

Оплата товара в нашем магазине осуществляется только безналичным банковским переводом (банковские реквизиты приведены ниже). Работаем с НДС.

Реквизиты компании

Стандартная доставка

Доставка товаров осуществляется по Москве и области, во все регионы России через ТК.

Доставка по Москве — 700 руб. Срок доставки — 1–3 дня.

Время доставки — с понедельника по пятницу.

Код скопирован